کاتالوگ مدار فرمان یا برد جک پارکینگ یال و کامفورت


مدار جک پارکینگی چیست؟
مدار جک به عنوان مغز متفکر سیستم درب اتوماتیک است، کلیه لوازم و متعلقات جک درب پارکینگ را توسط کابل یا به صورت بی سیم به خود متصل میکند و فرمانهای خود را به اجزای مختلف جک پارکینگی ارسال میکند. مدار جک درب اتوماتیک به طور کلی از قطعات الکترونیکی مختلفی تشکیل شده است که مهمترین آن ها عبارتند از:
برد اصلی و ترانس تغذیه
کارت رادیویی و ترمینال
فیوز و دیپ سوییچ
لامپ های LED
صفحه نمایشگر
مزایای مدار جک پارکینگی کامفورت گلدن گیت و یال و لنسر:
1- نصب آسان و سریع
2- دارای وضعیت اسباب کشی
3- کد دهی آسان ریموت ها
4- مدار فرمان دیجیتال و هوشمند
5- قابلیت نصب اکسس های کنترل
6- دارای مد برنامه ریزی اتوماتیک نصاب
7- دارای مد کارکرد جک ها بدون در نظر گرفتن چشمی ها
8- دارای رله پارکینگ جهت درب نفر رو و یا لامپ های پارکینگ و یا تحریک رله اسانسور و...
محتویات مدار کنترل جک درب پارکینگ
برد اصلی مدار کنترل در داخل سرور یک برد بزرگ و اصلی قرار دارد که تمام قطعات روی آن نصب می شوند و بر روی آن یک میکرو پروسسور تعبیه شده که اطلاعات را از سیستم دریافت کرده و پس از پردازش، دستور نهایی را صادر می کند.
وظیفه تغدیه این برد اصلی و سایر متعلقات سیستم درب اتوماتیک بر عهده ترانس تغذیه می باشد. قسمت ورودی ترانس معمولا 3 پایه دارد که دو پایه آن ورودی برق 220 ولت بوده و ورودی سوم برای ارت کاربرد دارد. خروجی این ترانس نیز به صورت ولتاژ مستقیم 12 ولت و 24 ولت به برد اصلی می رسد. کارت های رادیویی که در تابلو فرمان جک پارکینگی بکار می روند وظیفه دریافت امواج از ریموت کنترل و ارسال آن به برد اصلی را بر عهده دارند. به طور کلی اتصال برد اصلی به کلیه متعلقات سیستم درب اتوماتیک از طریق ترمینال ها صورت می گیرد. به طور کلی تمامی فرامین از طریق ترمینال ها به سایر اجزا ارسال می شود.

راهنمای ترمینال ها و ورودی های مدار جک پارکینگی گلدن گیت مدل کامفورت ، یال و لنسر:
ترمینال شماره 1 و 2 : ورودی برق 220 ولت به دستگاه.
ترمینال شماره 3و4و5 :ورودی سه سیم چپ گرد ، مشترک و راست گرد موتور لنگه رویی میباشد (موتوری که اول باز میشود ).
ترمینال شماره 6 و7 : ورودی خازن موتور 1 جک پارکینگی .
ترمینال شماره 8 و 9 : وردی خازن موتور 2 جک پارکینگی.
ترمینال شماره 10 و 11 و12 :ورودی سه سیم چپ گرد ، مشترک و راست گرد موتور لنگه زیری میباشد (موتوری که اول بسته میشود ).
ترمینال شماره 13 و 14 : خروجی برق 220 ولت فلاشر میباشد.
ترمینال شماره 15 و 16 : خروجی رله پارکینگ میباشد.
ترمینال شماره 17 و 18 : خروجی برق DC 12-24 برای قفل برقی میباشد.
ترمینال شماره 19 : تحریک دستی جک پارکینگ در هنگام تک لنگه میباشد.
ترمینال شماره 20 : تحریک دستی جک پارکینگ در هنگام دو لنگه میباشد.
ترمینال شماره 21 و 22 : تغزیه 12 ولت سنسورها و چشمی ها میباشد.
ترمینال شماره 23 : مشترک و یا com برد جک پارکینگی میباشد.
ترمینال شماره 23 و 24 : تحریک چشمی و سنسورها میباشد.
ترمینال شماره 25 و 26 : ورودی آنتن هوایی برد جک برقی میباشد.
2- سیم بندی مدار فرمان جک پارکینگی کامفورت , یال
سیم بندی در هنگام نصب جک پارکینگی از مهم ترین موارد نصب میباشد. در هنگام نصب جک پارکینگی کامفورت لطفا دیاگرام سیم بندی زیر رعایت شود.

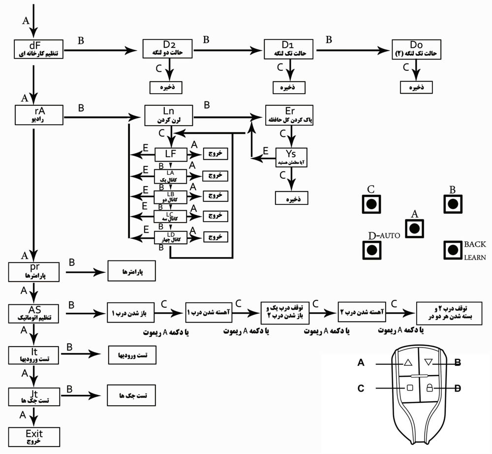
ریموت به دو طریق قابل برنامه ریزی است:
1- کد دادن سریع ریموت:
با نگه داشتن 3 ثانیه دکمه LEARN صفحه نمایش به چرخش در می آید و با زدن یکی از دکمه های ریموت کد آن بصورت 4 کانال ذخیره می شود.
2- کد دادن ریموت از منو:
با 2 بار زدن دکمــه A وارد منـو rA و با زدن دکمـه B وارد منـو Ln و با زدن دکمـه C گـزینـه های زیـر برای کـد دادن ریمـوت قـابل انتخـاب هستنـد.
LF: کد دادن ریموت 4 کانال
LA: باز و بسته کردن درب 2 لنگه و ریلی
Lb: باز و بسته کردن درب تک لنگه در حالت 2 لنگه
LC: فرمان به رله پارکینگ
پاک کردن ریموت:
جهت پاک کردن همه کدهای ریموت ابتـدا باید توسط دکمـه A وارد منو rA شوید سپـس با فشـردن دکمـه B منـو Er را انتخـاب کنیـد و با فشــردن دکمه
C عبارت YS به معنای: آیا مطمئن هستید؟ نمایان می گردد.
با فشار مجدد کلید C کلیه ریمـوت های مـوجود در سیستم پاک میگـردد و در حین عملیات سونسگمنت به صورت چرخان در می آید.
توجه:
ریموت کنترل های داخل جعبه برنامه ریزی شده اند اگر میخواهید یک ریمـوت را برای دو دستـگاه مجزا استفـاده کنید باید کــد ریمــوت ها را پاک کنید
و دکمه ها را تک تک کد دهید. مثلا دکمه اول را در برد اول با LA برنامه ریزی کنید و در برد دوم دکمه دوم را با LA برنامـه ریزی کنیــد تا با
دکمه اول برد اول و با دکمه دوم برد دوم را کنترل کنید.
4- بلوک دیاگرام تنظیمات
وضعیت D2: برای درب های دو لنگه
وضعیت D1: برای درب های تک لنگه
وضعیت D0: برای درب های تک لنگه که به سرعت بیشتری در دور کند نیاز دارند.
برنامه ریزی اتوماتیک (تنظیم سریع):
برای راه اندازی اتومـاتیک بازوها ابتدا درب ها را در حـالت بسته قرار دهید سپس دکمـه D روی مدار فرمان را نگـه دارید تا درب اول باز شود سپس با زدن دکمه اول ریمـوت یا دکمه C درب اول آهسته می شود سپس با زدن دکمه اول ریموت یا دکمه C درب اول متـوقف و درب دوم باز می شود.
این عملیات را برای درب دوم نیز تکرار کنید در انتها درب ها به صورت اتوماتیک بسته می شود.

5- جدول تنظیمات
سه بار A را بزنید تا به گزینه Pr برسید سپس دکمه B را بزنید حال پارامترهای زیرقابل رویت است
میتوانید با زدن دکمه B به سمت پایین و با زدن دکمه Back به سمت بالا بروید
میتوانید پارامتر دلخواه را با دکمه Cانتخاب کنید و با دکمه های C و D پارامتر مورد نظر را تغییر دهید
برای خروج بدون ذخیره پارامترها دکمه A را بزنید و برای ذخیره ی پارامترها به گزینه SA بروید و دکمه C را بزنید

6- بستن اضطراری: (هنگام بروز خطای چشمی)
برای بستن درب هنگامیکه سنسور چشمی باز باشد یکی از دکمه های ریموت را 3 ثانیه نگه دارید تا پیغام PH از صفحه نمایش پاک شود ، سپس 30 ثانیه فرصت دارید تا با زدن مجدد دکمه ریموت درب را ببندید.
7- وضعیت اسباب کشی:
برای فعال شدن این حالت بلافاصله بعد از باز شدن درب ها پنج ثانیه فرصت دارید که جلوی چشمی ها بایستید و دکمه ریموت را فشار دهید تا بسته شدن اتوماتیک غیرفعال شود.
ویژگیهای مدار جک
مغز متفکر هر سیستم یکی از مهم ترین عضو سازنده آن به شمار می آید. در مورد مدار جک نیز این مهم صادق بوده مدار های جک که هر کدام ویژگی های خاصی دارند و با عنوان های مختلف از قبیل میکرو سوییچی و تایمینگ و ….عرضه میشوند که به طور مثال سیستم تایمینگ قابلیت ترمز گیری را در انتها و ابتدای مسیر را به خوبی به اجرا میگذارد ولی در فصول گرم و سرد نیاز به تنظیم فصلی است این در حالی است که عملکرد مدار فرمان میکرو سوییچی برعکس است.
یکی از مدارجکها با کیفیت ایرانی که توانسته است در کنار کیفیت بالا قیمت مناسبی نیز داشته باشد، مدارجک درپا است که از ویژگیهایآن میتوان به موارد زیر اشاره کرد:
- قابلیت برنامه ریزی خودکار
- قابلیت ۸۰ عدد ریموت کد لرن و هاپینگ
- دارای خروجی قفل برقی تقویت شده برای انواع قفل تولید داخل و خارجی
- قابلیت تنظیم تمام پارامترهای حرکتی هر لنگه به تنهایی ( استارت اولیه، حرکت اصلی، دور آهسته )
- قابلیت استفاده از خروجی قفل برقی برای درب عابر با کلید C ریموت
- دارا ی مد اثاث کشی
- قابلیت کنترل درب با کلیدهای روی برد ( امکان غیر فعال نمودن در قسمت تنظیمات )
- امکان غیر فعال نمودن ورودیهای PD و ST در قسمت تنظیمات
- خروجی فلاشر ۲۲۰ ولت قابل تنظیم
- امکان تنظیم حالت تک کانال و دو کانال
سخن پایانی
امیدواریم موارد بالا مفید واقع شده باشد. شما بازدید کننده گرامی میتوانید برای سهولت در انجام خدمات با کارشناسان درب های اتوماتیک گلدن گیت در ارتباط باشید.

ریموت به دو طریق قابل برنامه ریزی است:
1- کد دادن سریع ریموت:
با نگه داشتن 3 ثانیه دکمه LEARN صفحه نمایش به چرخش در می آید و با زدن یکی از دکمه های ریموت کد آن بصورت 4 کانال ذخیره می شود.
2- کد دادن ریموت از منو:
با 2 بار زدن دکمــه A وارد منـو rA و با زدن دکمـه B وارد منـو Ln و با زدن دکمـه C گـزینـه های زیـر برای کـد دادن ریمـوت قـابل انتخـاب هستنـد.
LF: کد دادن ریموت 4 کانال
LA: باز و بسته کردن درب 2 لنگه و ریلی
Lb: باز و بسته کردن درب تک لنگه در حالت 2 لنگه
LC: فرمان به رله پارکینگ
پاک کردن ریموت:
جهت پاک کردن همه کدهای ریموت ابتـدا باید توسط دکمـه A وارد منو rA شوید سپـس با فشـردن دکمـه B منـو Er را انتخـاب کنیـد و با فشــردن دکمه
C عبارت YS به معنای: آیا مطمئن هستید؟ نمایان می گردد.
با فشار مجدد کلید C کلیه ریمـوت های مـوجود در سیستم پاک میگـردد و در حین عملیات سونسگمنت به صورت چرخان در می آید.
توجه:
ریموت کنترل های داخل جعبه برنامه ریزی شده اند اگر میخواهید یک ریمـوت را برای دو دستـگاه مجزا استفـاده کنید باید کــد ریمــوت ها را پاک کنید
و دکمه ها را تک تک کد دهید. مثلا دکمه اول را در برد اول با LA برنامه ریزی کنید و در برد دوم دکمه دوم را با LA برنامـه ریزی کنیــد تا با
دکمه اول برد اول و با دکمه دوم برد دوم را کنترل کنید.
4- بلوک دیاگرام تنظیمات
وضعیت D2: برای درب های دو لنگه
وضعیت D1: برای درب های تک لنگه
وضعیت D0: برای درب های تک لنگه که به سرعت بیشتری در دور کند نیاز دارند.
برنامه ریزی اتوماتیک (تنظیم سریع):
برای راه اندازی اتومـاتیک بازوها ابتدا درب ها را در حـالت بسته قرار دهید سپس دکمـه D روی مدار فرمان را نگـه دارید تا درب اول باز شود سپس با زدن دکمه اول ریمـوت یا دکمه C درب اول آهسته می شود سپس با زدن دکمه اول ریموت یا دکمه C درب اول متـوقف و درب دوم باز می شود.
این عملیات را برای درب دوم نیز تکرار کنید در انتها درب ها به صورت اتوماتیک بسته می شود.
ریموت به دو طریق قابل برنامه ریزی است:
1- کد دادن سریع ریموت:
با نگه داشتن 3 ثانیه دکمه LEARN صفحه نمایش به چرخش در می آید و با زدن یکی از دکمه های ریموت کد آن بصورت 4 کانال ذخیره می شود.
2- کد دادن ریموت از منو:
با 2 بار زدن دکمــه A وارد منـو rA و با زدن دکمـه B وارد منـو Ln و با زدن دکمـه C گـزینـه های زیـر برای کـد دادن ریمـوت قـابل انتخـاب هستنـد.
LF: کد دادن ریموت 4 کانال
LA: باز و بسته کردن درب 2 لنگه و ریلی
Lb: باز و بسته کردن درب تک لنگه در حالت 2 لنگه
LC: فرمان به رله پارکینگ
پاک کردن ریموت:
جهت پاک کردن همه کدهای ریموت ابتـدا باید توسط دکمـه A وارد منو rA شوید سپـس با فشـردن دکمـه B منـو Er را انتخـاب کنیـد و با فشــردن دکمه
C عبارت YS به معنای: آیا مطمئن هستید؟ نمایان می گردد.
با فشار مجدد کلید C کلیه ریمـوت های مـوجود در سیستم پاک میگـردد و در حین عملیات سونسگمنت به صورت چرخان در می آید.
توجه:
ریموت کنترل های داخل جعبه برنامه ریزی شده اند اگر میخواهید یک ریمـوت را برای دو دستـگاه مجزا استفـاده کنید باید کــد ریمــوت ها را پاک کنید
و دکمه ها را تک تک کد دهید. مثلا دکمه اول را در برد اول با LA برنامه ریزی کنید و در برد دوم دکمه دوم را با LA برنامـه ریزی کنیــد تا با
دکمه اول برد اول و با دکمه دوم برد دوم را کنترل کنید.
4- بلوک دیاگرام تنظیمات
وضعیت D2: برای درب های دو لنگه
وضعیت D1: برای درب های تک لنگه
وضعیت D0: برای درب های تک لنگه که به سرعت بیشتری در دور کند نیاز دارند.
برنامه ریزی اتوماتیک (تنظیم سریع):
برای راه اندازی اتومـاتیک بازوها ابتدا درب ها را در حـالت بسته قرار دهید سپس دکمـه D روی مدار فرمان را نگـه دارید تا درب اول باز شود سپس با زدن دکمه اول ریمـوت یا دکمه C درب اول آهسته می شود سپس با زدن دکمه اول ریموت یا دکمه C درب اول متـوقف و درب دوم باز می شود.
این عملیات را برای درب دوم نیز تکرار کنید در انتها درب ها به صورت اتوماتیک بسته می شود.